和义广业【行业分析】之流式细胞仪,将系统介绍流式细胞仪究竟是什么?它可以做什么?它的市场行情怎么样?有哪些国内外的大厂都在该领域有所布局?本篇将系统介绍流式细胞仪究竟是什么,它的检测原理及关键组成部件。
本篇共 4326 字,阅读时间预计 3-4 分钟
(一)定义
流式细胞仪(流式细胞术)是利用激光作为光源产生散射光和荧光信号,并将这些信号由光电二极管或光电倍增管等检测器读取、转换为电子信号、标准化格式 (fcs) 等数据文件输出,从而对溶液中的单个细胞进行快速筛选和分析或对特定的细胞亚群进行分析并进行分离纯化的仪器。
-
用于流式细胞仪的样本是单细胞悬液,可以是血液、悬浮细胞培养液、各种体液、新鲜实体瘤的单细胞悬液以及石蜡包埋组织的单细胞悬液等;
-
通过检测可以对粒子进行多参数分析,包括诸如粒子形状、大小、细胞周期、多药耐药蛋白、细胞内细胞因子、细菌表面抗原、细胞DNA内含物、多分子复合体排列等;
-
通过激光光源激发细胞上所标记的荧光物质的强度和颜色以及散射光的强度也可以得到细胞内部各种各样的生物信息;
-
此外还可以利用高分子荧光微球在流式细胞仪上做免疫和聚合酶链反应等多种生物技术检测;
-
流式细胞仪一般还有筛分的作用,可以根据所检测细胞的某种性质进行分选,如果分选的过程是在无菌条件下进行的,那么这些细胞还可以用来进一步培养。2
(二)检测原理
流式细胞仪的工作原理是使悬浮在液体中分散的经荧光标记的细胞或微粒逐个通过样品池,同时由荧光探测器捕获荧光信号并转换成分别代表前向散射角、侧向散射角和不同荧光强度的电脉冲信号(后文会详细介绍),经计算机处理形成相应的点图,直方图和三维结构图像进行分析(如图)。
在流式细胞仪中,溶液中的细胞以每秒10000个细胞(或更多)的速度通过仪器的激光束,进而对细胞进行检测。如今的流式细胞仪具有更多的可检测荧光参数(从1或2至最多30个左右或更多),可同时测量同一个细胞上的所有参数,其检测速度快且具有单细胞水平检测能力,可以为细胞生物学家在统计方面提供便利,快速分析和表征数百万个细胞,但是流式细胞仪无法获得显微镜可提供的形态特征和亚细胞定位,也造成了一些观察上的不便,下表将流式细胞仪和显微成像技术进行比较。
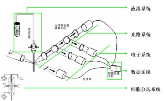
流式细胞仪有3个主要组成部分,即液流系统、光学系统和电子系统,它们共同构成了完整的细胞分析系统(图)。

图 流式细胞仪的工作元件
1、液流系统
流式细胞仪的液流系统包含鞘液(一种基于盐的缓冲液或水),该鞘液被加压通过机器,以引导细胞样品通过激光,以便对每个单个细胞进行单独测量。
一般来讲在样品进入流动池之前,细胞或微粒在流体悬浮液内以随机和无组织的方式移动(图A),按照它们在圆柱形液体柱中的运动来绘制相同大小细胞的分布图发现,由于一些细胞将比正常情况移动得更快,另一些细胞会移动的更慢,因而其形状将近似双曲线(图B)。
此外,在任何给定时间,也不能保证细胞都单列移动。这会导致:(1)以不同速度行进的细胞将引起数据波动 (2)彼此过于接近的细胞导致重合事件(两个细胞被同时进行分析,而非独立地)的发生(图左)。

图 细胞重合事件的发生
流式细胞仪获得的准确的数据依赖于能够确保样品中的所有微粒都被聚焦成单个细胞,并且它们在到达检测点之前以相同的速度移动的流体系统。因此,流式细胞仪流体系统通过利用流体动力学来解决上述问题。也就是,系统使用液体(水)来强制细胞以相同的速度,并以单个细胞行进。在流体动力学(图右)中,使用较快移动的鞘液(盐水)来迫使样品进入流体动力学核心,使得所有微粒沿同一轴线,以大致相同的速度行进。
2、光学系统
光学系统的组件协同运作,将不同波长的激光照射到细胞上,收集发射光子形式的数据(即侧向和前向散射光以及激发态荧光团的发射光),并将这些光子转换成电信号,导入电子系统。光学系统的元件包括激发光源、滤光片(用于引导光路)以及用于产生光电流的检测系统。
⑴ 激发光源
细胞与激光发生相互作用的地方,称为激光检测点。在这里,细胞排成单列通过,而聚焦激发光穿过细胞流。在流式细胞仪中,最常见的激发光源称为激光。激光具有一致性(具有同步、相同的波频率)、单色性(具有单一波长)和高能性,这些特点可确保照射到细胞的光是具有特定波长的均一光线,常见激发光线如下表所示。
在选择实验用的荧光基团时,对激发光源的了解至关重要。一般这些光源的配置主要有两种装置:共线激光装置和平行激光装置(如图)。共线激光装置的激光器共用同一条光路,细胞同时被多个激光器激发。平行装置中的激光器在空间上是分离的,细胞通过检测点时,一次暴露于一个激发光源。不管是共线激光装置还是平行激光装置,两个的装置不是相互排斥的,因为一个仪器可以同时具有平行和共线激光装置。
所以在选择用共线激光装置和平行激光装置时可根据荧光基团的激发光(激发波长是用某种波长的光激发出荧光)和发射光(指某种光发射出来的荧光的波长)来判断,例如当两种荧光基团的发射波长相同但激发波长不同时可选择平行激光装置,当发射波长不同激发波长相同时可选择共线激光装置。
⑶ 滤光片引导光路5
用于引导光路(光子)的发射滤光片有许多种,每组滤光片可将特定波长的光引导至与其相匹配的检测器,如图。
♦ 波通(LP)滤光片允许特定波长以上的所有光通过。图A的实例是LP 500滤光片,表示波长在500nm以上的所有光均可通过滤光片。
♦ 短波通(SP)滤光片允许低于特定波长的所有光通过。图B的实例是SP 500滤光片,表示只有波长低于500nm的光可以通过滤光片。
♦ 带通(BP)滤光片可被认为是LP和SP滤光片的交叉组合。只有特定波长范围内的光可以通过滤光片。图C的实例是一个525/30 BP滤光片,表示只有波长/光在525 nm以下30nm内可以通过滤光片,或者说是只有波长在495-555 nm范围之间的光可以通过滤光片,其他所有光将被偏转。

图. 不同的滤光片
检测器捕获由激发态荧光团和散射激光发射的光子将它们转换成光电流,并传递到电子系统。流式细胞仪可使用多种类型的检测器,最常见的类型是光电二极管和光电倍增管。
流式细胞仪的电子设备将检测到的信号转换为可以使用软件进行分析的数字参数的过程,具体如下:
1.当细胞经过检测点,激光击中细胞产生的光子可以被光电倍增器(PMD)或光电二极管探测到,这些光子可以来自细胞的散射或是细胞荧光物质的荧光激发信号;
2.当光子进入探测器,光子被转化为电子,信号被按比例增强。探测器以电流的形式输出信号,此刻便是信号进入电子系统的时间点,从图中可以看到光子在电子系统中传输的路径简图;
3.电流信号从探测器输出后进入信号放大器,信号被放大并被转换为电压脉冲,脉冲继而通过模数转换器(ADC)被转换为数字信号;
流式细胞仪的三个主要输出测量值是前向散射,侧向散射和荧光信号,激光的可见光会反射出每个流通池,从而提供流通的尺寸和形状特征。

图. 侧向散射
[1]Adan A, Alizada G, Kiraz Y, Baran Y, Nalbant A. Flow cytometry: basic principles and applications. Crit Rev Biotechnol. 2017;37(2):163-176. doi:10.3109/07388551.2015.1128876
[2]杨蕊, 邹明强. 流式细胞术的最新进展[J]. 分析测试学报, 2004, 023(006):124-128.
[7]Adan A, Alizada G, Kiraz Y, Baran Y, Nalbant A. Flow cytometry: basic principles and applications. Crit Rev Biotechnol. 2017;37(2):163-176. doi:10.3109/07388551.2015.1128876
作者声明:感谢本文参考资料作者,文中观点仅供参考,不恰当之处还望包涵指正,资料内容侵删。
排版:大大怪